8x8x8 LED Cube
Created for the Boos and Bites Halloween Night Market, this 512-LED cube served as a glowing centerpiece that combined art with electronics. Students assembled the cube from scratch, learning soldering, circuit design, and programming microcontroller-based animations. The result was a dazzling 3D light display that showcased technical creativity and brought visual excitement to the event.
Timeline: September 2025 - October 2025
LED Cube Main Website Photo
Media
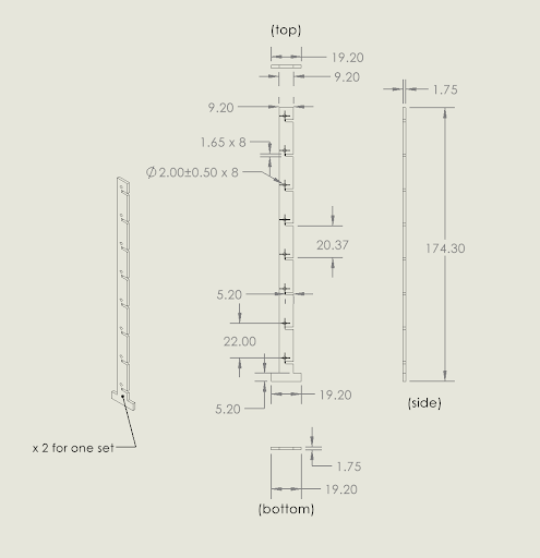
Picture of CAD for LED Cube
A student CADed supports to allow multiple students to solder LEDs at the same time.
First demo of the LED cube!
Second demo of the LED cube!
Complete Schematic of DriveTrain
Students carefully soldered each LED layer of the 8×8×8 cube, building both their technical skills and the structure from the ground up.
Contributors
Name
Role
Contribution Highlight
Kyle Delarno
Mechanical Engineer, Project Lead
Oversaw mechanical design and LED assembly; led soldering, testing, and final acrylic casing work.
Aaron Nguyen
Computer Engineer, Programmer
Contributed to soldering LED layers, running LED tests, and validating circuit function with RGB checks.
Maya Anderson
Interdisciplinary Engineer, Product Designer
Designed 3D-printed and laser-cut soldering frames; helped with final assembly, coding, and project coordination.
Kevin Le
Computer Engineer, Technical Program Manager
Helped manage the project timeline, supported soldering workflow, and ensured successful demo preparation.
Carmen Enciso
Mechanical Engineer, Product Designer
Assisted with physical build tasks including acrylic assembly and soldering support during construction.
Mustafa Fana
Electrical Engineer, Product Designer, Technical Program Manager
Led soldering of LED grid, coordinated troubleshooting for LED issues, and managed board connectivity and power integration.